Carbon fiber for structural reinforcement

Carbon fiber structural reinforcement technology is suitable for various types of structures, various structural parts of the reinforcement and repair, such as beams, slabs, columns, roof trusses, piers, bridges, cylinders, shells and other structures. The strength level of base concrete should be no less than C15. In addition, some mechanical properties of brick masonry can also be strengthened with carbon fiber.

2018-09-20 17:19:28

How to control cracks in shear walls

How to control cracks in shear walls? Epoxy injection concrete crack repair shear wall. FRP composite strengthening shear wall.

2018-09-18 17:36:08

Carbon fiber fabric reinforcement in interior decoration

The bonded carbon fiber fabric (CFRP) is a new type of reinforcement technology, which has been widely used and has produced great economic benefits. Compared with other traditional reinforcement technology, bonded carbon fiber fabric(CFRP) technology has the advantages of convenient construction, high efficiency, light and thin, and hardly increases weight and thickness after bonding.

2018-09-18 16:55:32

Carbon fiber fabric reinforced concrete column

Carbon fiber fabric reinforced concrete columns can change the axial stress state of concrete into three-dimensional stress state, and the bearing capacity and deformation capacity of confined concrete can be improved.

2018-09-17 18:39:05

Masonry walls strengthened with CFRP

The results of Strengthening Masonry Structure with carbon fiber fabric are mainly affected by the vertical normal stress, the ratio of height to width of masonry wall and the number of CFRP layers.

2018-09-17 18:12:04

Quality control of carbon fiber in bridge reinforcement

Carbon fiber fabric have the advantages of stable structure, light weight, good cold resistance, corrosion resistance and heat resistance, and are widely used in pure tensile components. This is extremely relevant to its excellent strength and stiffness.

2018-08-27 19:26:51

Steel beams strengthened with CFRP plates

In recent years, FRP materials, especially CFRP materials, have been widely used in civil engineering. Although not as widely used as reinforced concrete structures, CFRP reinforced steel structures have also begun to be applied to bridges and housing construction.

2018-08-21 16:34:47

Bridges strengthened by Prestressed FRP laminate

The prestressed CFRP laminate reinforcement system consists of three parts: anchorage, carbon fiber laminate and carbon fiber laminate adhesive.

2018-08-13 16:32:09

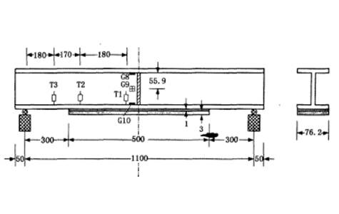
Strengthening of load-bearing members of bridge

Strengthening of load-bearing members on the upper part of bridge

2018-07-31 16:42:07

RC members retrofitting by carbon fiber wrapping

In this project, the method of outer wrapped steel is adopted, and the method of externally bonded carbon fiber reinforced wrap is adopted to reinforce and reinforce different parts and types of components.

2018-07-26 16:13:15
Back
Top
Close